Hiện nay xây nhà không chỉ còn với mục đích để ở nữa mà còn với mục đích khác đó là nhu cầu về thẩm mĩ. Một ngôi nhà đẹp sẽ cải thiện chất lượng cuộc sống. Mang đến một môi trường sống lí tưởng cho cả gia đình. Mẫu Nhà phố 2 tầng phường Quảng Phú – TP. Quảng Ngãi đáp ứng đầy đủ những yêu cầu trên. Chúng ta cùng tham khảo mẫu nhà phố 2 tầng đang rất được ưa chuộng hiện nay nhé.
Thông tin công trình:
+ Vị trí công trình: Quảng Phú – TP. Quảng Ngãi
+ Quy mô dự án: nhà phố 2 tầng
+ Diện tích: 5x15m
+ Đơn vị thiết kế và thi công trọn gói: Công ty CP Kiến trúc và Xây dựng Lyarch
+ Năm xây dựng: 2022
Phối cảnh 3d Nhà phố 2 tầng phường Quảng Phú – TP. Quảng Ngãi
Mẫu thiết kế nhà phố 2 tầng 3 phòng ngủ được coi là mẫu thiết kế phù hợp nhất. Vì mỗi gia đình Việt Nam giờ khoảng 4 người thì lựa chọn mẫu thiết kế 3 phòng ngủ là tối ưu nhất. Khi một phòng diện tích rộng nhất trang trí theo phong cách hiện đại cổ kính dành cho không gian riêng tư của bố mẹ. Không gian 2 phòng ngủ màu sắc trẻ trung diện tích vừa phải dành cho 2 con.

Dự án nhà phố mặt tiền 5m được kiến trúc sư LYARCH DESIGN giải quyết tối đa không gian sử dụng để phù hợp với một gia đình. Đặc biệt, những giải pháp chắn nắng và thông sáng của ngôi nhà kết hợp với vẻ đẹp thẫm mỹ khiến công trình trở thành niềm ao ước của biết bao khách qua đường.
Mẫu Nhà phố 2 tầng phường Quảng Phú mái bằng đang rất được ưa chuộng tại khu vực thành phố với ưu điểm là gọn gàng, không mất quá nhiều diện tích phù hợp với những lô đất có diện tích chiều dài mà hạn chế về chiều rộng thì lựa chọn mẫu thiết kế nhà phố 2 tầng này là hoàn toàn hợp lí. Với những thiết kế hiện đại mái bằng chắc chắn sẽ mang đến một không gian hoàn hảo cho bạn và gia đình của mình.
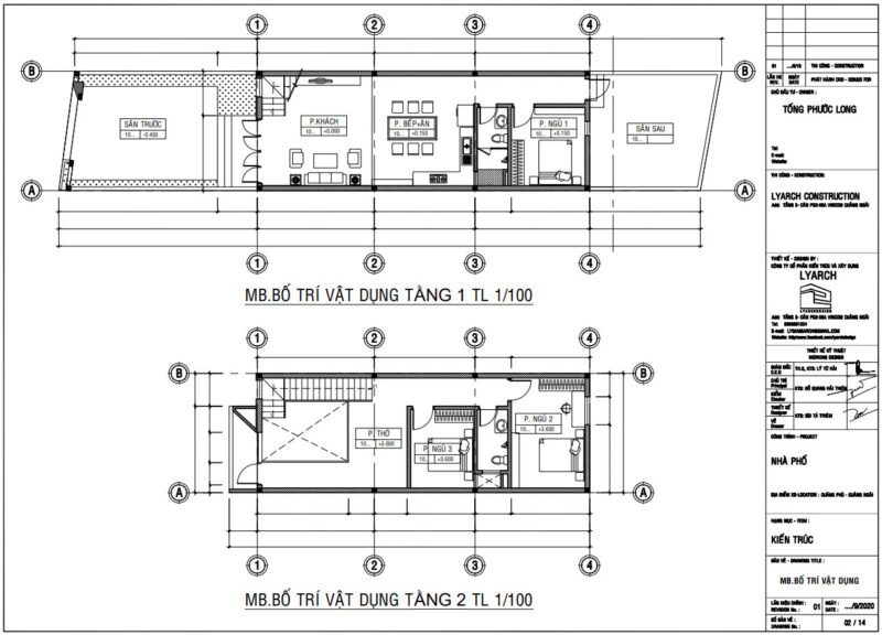
Mặt bằng công năng nhà phố 2 tầng tại phường Quảng Phú – TP. Quảng Ngãi

Quý khách hàng có nhu cầu thiết kế nhà đẹp hay xây nhà trọn gói Quảng Ngãi nhà phố, biệt thự, căn hộ…. vui lòng liên hệ qua 0983 861 024 (Mr. Hải) hoặc đến địa chỉ 164 Phạm văn đồng, P. Nghĩa chánh, TP. Quảng Ngãi để được tư vấn hỗ trợ miễn phí nhé. Mọi thắc mắc hay nhu cầu sẽ được giải đáp, nhanh chóng thuận tiện.
>> Facebook: facebook.com/lyarchdesign






